Biblioteca estense universitaria

Immagine logo sezione Strumenti
Torna alla pagina principale Home

Strumenti

Microscopio catadiottrico

Amici presentò il suo primo microscopio catadiottrico al Concorso delle Arti e dell'Industria a Milano nel 1812 insieme ad un telescopio a riflessione. Entrambi furono dichiarati dalla Commissione dell'Istituto delle Scienze meritevoli del maggior premio.

L'autore lo aveva concepito come applicazione rovesciata di un telescopio newtoniano, guidato dall'idea che «da un telescopio di qualsivoglia forma se ne può trarre un microscopio col solo mettere l'oggetto ove nel telescopio si colloca l'occhio, e trasportando l'oculare nel luogo che nel telescopio occupa l'oggetto» (Giovanni Battista Donati, Elogio del Prof. Gio.Battista Amici, Cellini, Firenze 1865, pp. 6-7).

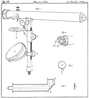
La parte ottica dello strumento «consiste di uno specchio concavo ellissoidico riflettore con un'apertura di circa un pollice e una lunghezza focale (primo fuoco) di due pollici. Lungo l'asse di questo specchio a circa metà della sua distanza focale è piazzato un piccolo specchio piano, ottenuto dalla sezione di un cilindretto, inclinato di 45° sull'asse dello strumento, come in un telescopio newtoniano. L'oggetto da osservare è posto su un portaoggetti regolabile in modo che si trovi nel fuoco dello specchio concavo.C. Pouillet. Disegno e schema ottico del microscopio catadiottrico di Amici All'altra estremità [...] del tubo orizzontale del microscopio vi è il secondo fuoco. La sua distanza focale è di 12 pollici». Gli oculari sono del tipo Ramsden, composti di due lenti piano-convesse. Lo specchio ellittico «è finemente lavorato con una lega rame-stagno, ricchissima di stagno [...] È questo tipo di lega [...] che assicura il pregio maggiore al microscopio di Amici», in contrasto con gli «specchi al rame, sempre affetti da ossidazioni» (Giorgio Dragoni, G.B. Amici: Il microscopio a riflessione. Anticipazioni storiche, caratteristiche tecniche, «Giornale di Fisica», 2/3-1988, pp. 151-153). Anche il grande specchio illuminatore di 8 cm. di diametro «non è un semplice specchio di vetro argentato [...] ma uno specchio realizzato con la fusione della stessa lega usata per lo specchio ellissoidico» (ivi) .

Microscopio catadiottrico di Amici. ParticolarePerfezionato negli anni immediatamente successivi, questo strumento riscosse unanime apprezzamento internazionale, tanto che John Quekett scrisse nel suo Practical treatise on the use of the microscope (1848): «a new and most important æra in microscopic science commenced in this country with the improvement in the reflecting microscope, constructed by Amici in 1815».

Messo subito alla prova dal suo autore in osservazioni sulla circolazione del succhio nella Chara, il microscopio catadiottrico di Amici, ricorḍ Hugo von Mohl, «superò di gran lunga per nitidezza dell'immagine e potenza d'ingrandimento tutti gli altri microscopi allora esistenti, e sarebbe stato per la scienza di ben maggiore utilità, se avesse incontrato una più larga diffusione e se la sua invenzione fosse caduta in un'età in cui la predisposizione e l'abilità nelle indagini microscopiche non fossero state un fatto raro» (Hugo von Mohl, Giambattista Amici, «Botanische Zeitung», n. 51-1863, p. 4; trad. it. di A. Meschiari, «Atti della Fondazione Giorgio Ronchi», 2-1999, p.210).

Microscopio catadiottrico Amici del Mathematisch-Physikalischer Salon di DresdaNel 1818 Amici presentò alla Società Italiana delle Scienze la memoria De' microscopj catadiottrici, che fu pubblicata nel Tomo XVIII-1820 delle «Memorie di Matematica e di Fisica» (scarica il pdf).

Vincent Chevalier, che prima del 1827 costruiva la camera lucida di Amici, dopo il viaggio di quest'ultimo nella capitale francese mise in esecuzione anche i suoi microscopi catadiottrico e acromatico. Pare però che lo specchio ellittico, assai difficile da realizzare, gli fosse fornito direttamente dall'inventore.

Scriveva infatti Chevalier ad Amici il 23 maggio 1827 in albergo a Parigi: «Quant à la bonté que vous avez en nous promettant de nous admettre à l'honneur de la construction de votre excellent microscope, nous vous reïterons, Monsieur, que c'est avec le plus grand plaisir que nous y mettrons toute l'exactitude et la célérité dont nous serons capables et que nous ferons avec vous, Monsieur, tous les arrangemens d'intérêt qui pourront vous être agréables. Pour ce qui est relatif à la fourniture des pièces essentielles (le fameux miroir Elliptique), dessins, modèles, Mémoires etc. vous aurez la bonté de nous les fournir» (cfr. A. Meschiari, Corrispondenza di G. B. Amici con ottici e meccanici <Buron, Chevalier, Duboscq, Ertel, Fraunhofer, Guinand e Feil, Hartnack, Lerebours, Merz, Nachet, Oberhaeuser>, «Atti della Fondazione Giorgio Ronchi», 4/5-2000, p. 527).

Fra gli acquirenti del microscopio catadiottrico di Amici il Libro de' conti del laboratorio registra:

De' microscopi catadiottrici 1818. Disegno- il Conte Girolamo Bardi, Direttore dell'I. R. Museo di Fisica e Storia Naturale di Firenze (1819)
- l'Arciduchessa Maria Luigia di Parma (1819)
- il Principe di Metternich (1821)
- l'Imperatore di Russia tramite l'Arciduca Massimiliano (1822)
- il Fisico ginevrino Marc-Auguste Pictet (1822)
- William Henry Fox Talbot (1822)
- il Gabinetto di Fisica dell'Università di Modena (1825)
- probabilmente Alexander von Humboldt per l'intermediazione di Pictet (1825)
- Jean-Louis Prévost di Ginevra (1826)

Il Museo di Fisica dell'Università di Praga era fin dal 1817 in possesso di un microscopio catadiottrico di Amici acquistato dall'allora Professore di Fisica Cassian Halaschka. A quel tempo a Praga studiava Jan Evangelista Purkyne, che vi rimase poi come assistente di Anatomia e Fisiologia dal 1819 al 1823, quando fu chiamato a Breslau.


Microscopio catadiottrico di Amici per il Prof. Dal Negro di Padova (1824)

Il Libro de' conti del laboratorio di Amici registra alla data di aprile 1824: «un microscopio al Pr di Padova» per 560 franchi. Si tratta di Salvatore Dal Negro (1768-1839), professore di Fisica sperimentale all'Università di Padova, al cui nome è intestata la scheda tecnica di uno di questi strumenti. Il microscopio fu ordinato nel novembre del 1823, ed è tuttora conservato presso il Museo di Storia della Fisica di Padova.

Microscopio catadiottrico Amici per il Prof. Dal Negro di Padova 1824Scheda tecnica

Ingrandimento 1° oculare 52 volte in diametro
  98
  140
  277
  554
  1141


 

Microscopio catadiottrico di Amici per il Dr. Carlo Passerini, Conservatore dell'I. e R. Museo di Firenze (1824)

Sul Libro de' conti del laboratorio alla data di luglio 1824 è segnato l'incasso di 560 Franchi per questo microscopio catadiottrico venduto al Dr. Carlo Passerini di Firenze. Passerini fu dapprima aggregato al professore di Anatomia comparata e Zoologia e poi Conservatore nell'I. R. Museo di Fisica e Storia naturale.

Lo strumento si può ancora vedere presso l'Istituto e Museo di Storia della Scienza di Firenze (cfr. il Catalogue of microscopes del medesimo Istituto curato da Gerard L'E. Turner, Giunti, Firenze 1991: Reflecting microscope n. 82).

Microscopio catadiottrico di Amici per il Dr. Carlo Passerini di Firenze 1824Scheda tecnica

Ingrandimento 1° oculare 53 volte in diametro
  86
  117
  374
  503
  1115

 

 

Microscopio catadiottrico Amici. Particolari della cassetta con accessori Courtesy of Mr. Brian Davidson